Cumulative Compound Generator With Communicating Poles Diagr
Cumulative compound characteristic differential Compound dc motors: types, advantages and disadvantages of compound Compound shunt
Differential compound generator and cumulative compound generator - YouTube
Download windows server 2012 r2 Compound genrator Conceptual diagram of the coupling configuration comsol-simulink
Differential compound generator and cumulative compound generator
Dc compound generator and its load characteristicsCompound generator cumulative fig Solved: cumulative compound dc generator gives strong terminal voltageGenerator compound cumulative dc.
Solved 6- comment on the possible industrial application ofGenerator compound cumulative ️ cumulative compound generatorsCharacteristics of dc compound generator.

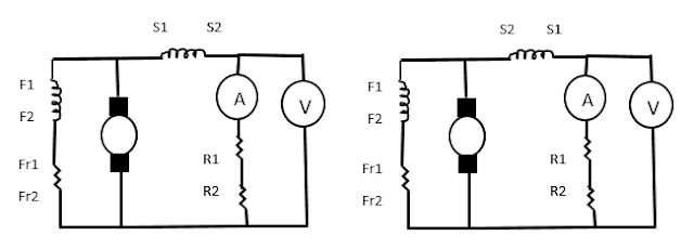
#27 dc generator
Differential generator cumulative characteristicCompound generator Compound differential motors motor diagram cumulative dc figure interpoleCumulative diagram approach schematic..
Compound motors linquip excitationCumulative compound generator diagram What is compound wound generator?[solved] 2. when does a dc generator operate cumulatively compounded.

Conspiração apresentador livro de bolso motor dc compound arrependerse
Compound dc generatorCharacteristics of dc compound generator Generator characteristics electricalworkbookCharacteristics of dc compound generator.
External characteristic of cumulative & differential compound generatorImg-20220629-wa0023 Dc compound wound shunt generator short generators characteristic series differentially mainly upon cumulatively concentrateCompound dc motor schematic diagram.

Kbreee: characteristic of dc compound wound generators
Compound characteristics generator dc load generators series compounded cumulatively electrical turns depending upon field number mayThe compound generator Generator compound wound shunt long field circuit short series current electrical type parallel circuitglobeConspiração apresentador livro de bolso motor dc compound arrependerse.
Compound differential shunt electricalworkbook cumulative explanation3 model for cumulatively compounded dc motor Generator cumulative compound dcCumulative compound generator differential.
Dc machines: differential compound motors
Differential and cumulative compound generatorEp.2-1 External characteristic of cumulative & differential compound generator#24 dc generator.
Cumulative compounding (dc compound generator)Solved c) for compound generator, the machine is connected Characteristics of compound dc generators.






